MODERN AHŞAP EV

OD-011

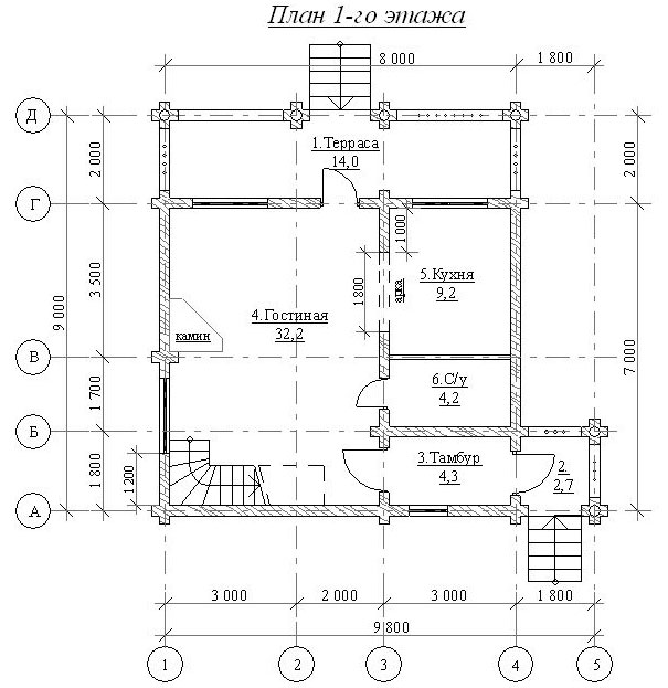
Birinci katta: веранда терраса 14 м², кухня 9,2 м², санузел 4,2 м², тамбур 4,3 м², крыльцо 2,7 м², гостиная 32,2 м².

İkinci katta: спальни спальня 26,4 м², санузел 9,2 м², балкон 13,7 м², холл 12,5 м².






phone +90 (850) 800 00 82
email ink@inkinternationalcompany.com